Industry application
Charging pole
Application Overview
Charging pole Application Overview

Plug in hybrid/electric vehicles include a high-voltage battery subsystem that can be charged using a built-in on-board charger (OBC) or an external charging station. Charging requires high voltage, high current, and high performance in high-temperature environments. Therefore, developing charging piles with high energy efficiency, high performance, and rich protection functions is crucial for achieving fast charging and improving battery life.

 

Marching Power  has launched a super junction MOSFET and a cost-effective IGBT solution for DC charging stations in electric vehicles.


Charging pole
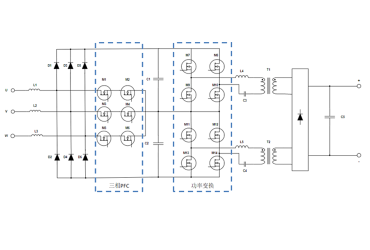
Application System Diagram
Charging pole Application System Diagram
Charging pole
Application Topology Diagram
Charging pole Application Topology Diagram
Charging pole
Recommended Products

IGBT Discretes Product List

Part Number VCE(V) Ic(A)@100℃ Vcesat(V) @25℃
typ
Eon(mJ) Eoff(mJ) Package Datasheet
MPBQ75N120BF 1200 75 1.9 4.6 4.4 TO-247 plus Download
MPBW40N120E 1200 40 1.7 2.56 2.13 TO-247 Download
MPBW40N120BF 1200 40 1.85 1.6 3.0 TO-247 Download
MPBW25N120BF 1200 25 1.9 1.6 1.9 TO-247 Download
MPBW15N120BF 1200 15 1.8 1.17 0.95 TO-247 Download
MPBW50N65E 650 50 1.6 1.22 1.2 TO-247 Download

SJ MOSFET Product List

Part Number VDSS(V) ID(A)@25°C V(GS)th (V) RDS(on)(Ω)
@VGS=10V 25°C max
QG(nC) CFD Package Datasheet
MPSW60M041 600 66 2.5-4.5 0.041 140 - TO-247 Download
MPSW60M043CFD 600 66 3-5 0.043 140 Y TO-247 Download
MPSW60M086CFD 600 41 3-5 0.086 72 Y TO-247 Download
MPSW65M046CFD 650 62 3-5 0.046 140 Y TO-247 Download
MPSW65M092CFD 650 41 3-5 0.092 72 Y TO-247 Download