Industry application

行业应用

新能源汽车主逆变器
应用概述
新能源汽车主逆变器应用概述

逆变器在电动汽车中扮演着极为重要的角色。将电池的直流电转换成频率和幅值可调的交流电,用于驱动控制车轮转速的电机。

新能源汽车主逆变器
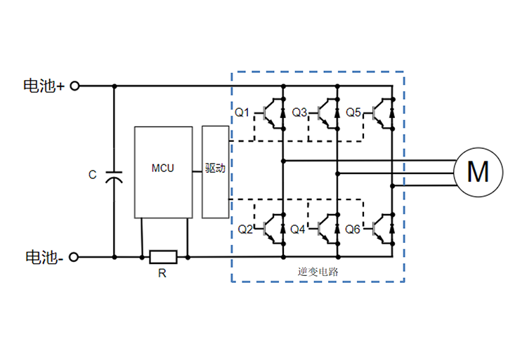
应用系统图
新能源汽车主逆变器应用系统图
新能源汽车主逆变器
应用拓扑图
新能源汽车主逆变器应用拓扑图
新能源汽车主逆变器
推荐产品

IGBT模块产品清单

Part Number VCE(V) Ic(A)@100℃ Vcesat(V) @25℃
typ
Eon(mJ) Eoff(mJ) Package Datasheet
MPFS400R08HBF 750 400 1.45 14.5 31.7 HP1 DC6 Pinfin Download
MPFS400R08HBFF 750 400 1.43 6.4 10.48 HP1 DC2 平底板 Download
MPFS820R08PBF 750 820 1.37 15.6 17.4 HybridPACK Drive Download
MPFS950R08PBF 750 950 1.45 12 19 HybridPACK Drive Download
MPFF600R12MBF M3 1200 600 2.2 151.3 88.6 EconoDUAL 3 Download
MPFF600R12MBF M5 1200 600 1.65 118.4 79.2 EconoDUAL 3 Download